深圳市百隆微电子有限公司

普通会员展厅
杭州百隆电子有限公司是一家专业从事集成电路芯片生产设计的国家级高新技术企业。企业成立于2000年6月,总部位于杭州市余杭区未来科技城,核心产品为专用集成电路与消费类通用集成电路。致力于为海内外用户提供更专业的产品和服务,公司投入巨额资金于技术研发和质量控制,砥砺于实现“智”造好“芯”
2
粉丝数
33
总内容量
14810
总阅读量
0
关注
联系人:张先群
手机:139********
模式:生产厂家/经销商
地区: 广东 深圳市
当前位置: 首页 > 文章 >百隆电子 | ICF LM339 | 四差分比较器电路
TA的最新文章

百隆电子 | ICF LM339 | 四差分比较器电路

2024/7/15

0
分享到:

文件上传成功!



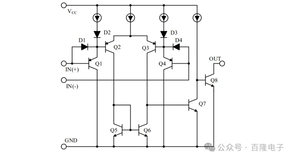
ICF LM339


文件上传成功!

图片            

产品描述:

ICF LM339 内部包括有四个独立的电压比较器,在很宽的电源电压范围内适用于双电源工作模式,也适用于单电源工作模式




ICF LM339特点:


  • 电源电压范围:单电源(3-32V)和双电源(± 1.5~±16V)
  • 低输入失调电流:典型值± 2.3nA
  • 低输入失调电压:典型值±1.4mV
  • 低输入偏置电流:25nA
  • 低饱和输出电压:100~250mV
  • 共模电压输入范围包含 GND
  • 输出驱动兼容 TTL,MOS 和 CMOS.




ICF LM339应用:


  • 差分比较器




ICF LM339原理图:


文件上传成功!



ICF LM339管脚描述:


文件上传成功!



ICF LM339极限参数:


文件上传成功!



ICF LM339电参数:


文件上传成功!




ICF LM339特征曲线:


文件上传成功!




ICF LM339订货信息:


文件上传成功!

 



图片

 1


评论

网友评论仅供其表达个人看法,并不表明阿拉丁照明网同意其观点。

0 条评论

    登录 才能发表评论!