深圳市冠辰科技有限公司

普通会员展厅
冠辰科技,创立于2005年,经过数年发展,已经与众多国际芯片厂商有密切的合作关系,并获得IMP微电子,美国ISSI矽恩微电子,无锡矽瑞微电子,台湾普诚,奇力科技,SemiMOS的授权中国代理.冠辰科技,以照明和电源产品应用的IC和元器件为主推产品方向,提供照明领域中全系列的产品方案.2017年伊始,创始人KR, 基于照明行业的10年从业基础的认知,展望未来智能物联网的大趋势,胸怀初心与梦想,心持感恩与责任重新扬帆起航---进入整灯市场,研发出LED智能吸顶灯、壁灯、线吊灯等产品,并通过在灯上外置一个USB接口,连接WIFI智能调光、WIFI热点、WIFI网络摄像、WIFI音乐播放、WIFI语音、人机交互等不同的功能模块实现不同的客户需求。踏上新的征程,追寻智慧世界的梦想。3年短期目标:解决照明行业痛点,加速照明企业,快速进入智能物联网。10年长期目标:成为物联网时代的家居智能控制中心。
2
粉丝数
28
总内容量
19985
总阅读量
0
关注
联系人:王先生
手机:180********
模式:生产厂家/经销商
地区: 广东 深圳市
首页

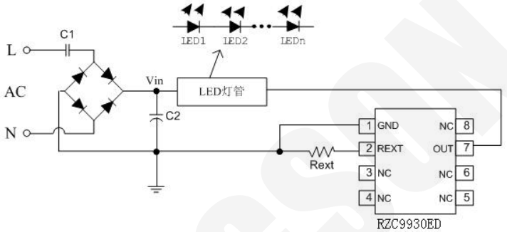
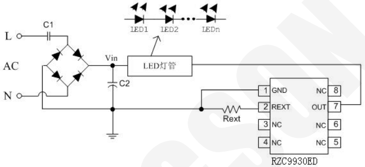
RZC9930ED 单通道 LED 恒流驱动控制芯片

  • 品牌 瑞之辰
  • 电压 AC110V/220V
  • 电流(mA) 60
  • 封装/针脚 ESOP-8
  • 类型 驱动IC
  • 保护功能 过热保护
  • 应用 球泡灯、日光灯、路灯
分享到:

联系人

王先生

180********







  更多资料详见深圳市冠辰科技有限公司网站:www.kongson.com.cn


阿拉丁网上照明展览会

免责声明DISCLAIMER

1、任何浏览者在任何时间浏览本站任何信息,即表明已阅读本站版权与免责声明。 2、本站企业展厅内所展示的所有信息和图片素材,均由合作展厅企业提供。本站作为一个展示平台,不对这些信息的来源及其合规性作出任何担保或承诺。本站致力于提供一个开放、多元、充满活力的展示空间,但并不意味着本站对展示内容承担任何责任。 3、在本站企业展厅中,您将会看到琳琅满目的展品和服务信息,以及精美的展品图片。但请注意,这些信息和图片的版权归属于相应的展厅企业所有。本站尊重并保护每一位创作者的版权,仅作为平台方为您提供展示和了解的机会。 4、如果您在本展厅中发现任何信息或图片存在侵权问题,我们恳请您及时与相应的展厅企业取得联系,并请求其删除。我们将全力配合展厅企业和版权方,共同维护一个健康、公平的网络环境。 5、请您在使用本展厅中的信息和图片时,遵守相关法律法规和道德规范,尊重他人的知识产权和劳动成果。