深圳市事事达科技有限公司

普通会员展厅
深圳市事事达科技有限公司专业研发、生产、销售大功率LED驱动电源模块。广泛应用于家居照明,商用照明,工程照明。自成立伊始就将提供世界一流的LED绿色照明产品作为自身高的追求目标,力争生产出一流的绿色节能产品服务于人类社会。数十名经验丰富的开发工程师可根据客户需求、设计开发各种驱动电源和照明产品。公司还拥有一批优秀的管理人才采用先进的ERP系统,全面提升公司的管理绩效及企业竞争力。 深圳市事事达科技有限公司秉承“创新 双赢 务实 合作”的经营风格,以争创行业先锋是公司的努力方向:服务客户、关注客户、提供高技术、高质量产品为根本。公司谋求获得欧共体的CE认证、德国GS认证、美国UL安全认证等。为客户提供完善的LED照明技术解决方案,具性价比的配套产品,快捷周全的服务流程。创建企业发展,客户赢利的双赢合作模式。
4
粉丝数
11
总内容量
3747
总阅读量
0
关注
联系人:何总助
手机:076***************
模式:生产厂家/经销商
地区: 广东 深圳市
首页

深圳事事达可控硅调光LED电源 10W调光面板灯led恒流开关电源 举报

  • 品牌 事事达
分享到:

联系人

何总助

076***************

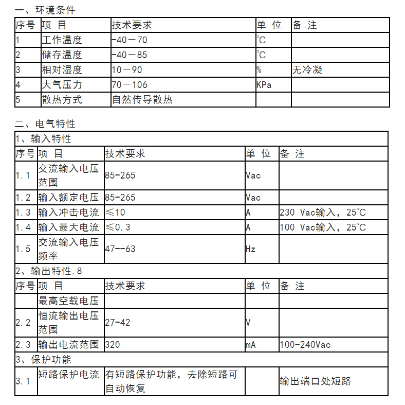
该电源额定电压为85-265Vac、输出电压为27-42V、恒流320MA,Pf0.9以上 具有输出短路保护、输出限流功能,符合认证标准。



阿拉丁网上照明展览会

免责声明DISCLAIMER

1、任何浏览者在任何时间浏览本站任何信息,即表明已阅读本站版权与免责声明。 2、本站企业展厅内所展示的所有信息和图片素材,均由合作展厅企业提供。本站作为一个展示平台,不对这些信息的来源及其合规性作出任何担保或承诺。本站致力于提供一个开放、多元、充满活力的展示空间,但并不意味着本站对展示内容承担任何责任。 3、在本站企业展厅中,您将会看到琳琅满目的展品和服务信息,以及精美的展品图片。但请注意,这些信息和图片的版权归属于相应的展厅企业所有。本站尊重并保护每一位创作者的版权,仅作为平台方为您提供展示和了解的机会。 4、如果您在本展厅中发现任何信息或图片存在侵权问题,我们恳请您及时与相应的展厅企业取得联系,并请求其删除。我们将全力配合展厅企业和版权方,共同维护一个健康、公平的网络环境。 5、请您在使用本展厅中的信息和图片时,遵守相关法律法规和道德规范,尊重他人的知识产权和劳动成果。