宁波市明微电子有限公司

2026照明展参展商2.2馆 C26
明微电子成立于2010年,总部在宁波,与深圳分别设立两个研发中心。拥有全套现代化 的研发技术及生产设备,拥有专业的研发团队,10条SMT线,明年新增到20条。凭借先进 的技术和创新的理念,致力于为客户提供高品质、高性能的解决方案。公司主要经营业务:LED驱动电源、新能源充电枪充电桩等控制板、家电类控制板、 COB灯带等。公司全面通过ISO9001:2015质量体系认证,主推产品通过 CB/CE/UL/SAA/CCC/PSE 等权威认证。主要产品销往欧洲、澳洲、北美、南美、日本、韩国 等市场,深受客人的好评。以“智能驱动,创新未来”的企业精神,秉持“以人为本”的理念,倡导“团结、创新、诚信、 共赢”的价值观。为客户提供高可靠性的产品、卓越的技术支持及服务,不断进行产品技术 的更新和产业结构的调整,以顺应市场的需求。 公司在2023年购买土地40亩,新建厂房70000平米,将在2025年初投入使用。
1
粉丝数
98
总内容量
32471
总阅读量
1
关注
联系人:崔筱
手机:176********
模式:生产厂家/经销商
地区: 浙江省 宁波市
当前位置: 首页 > 文章 >LED灯如何调光,什么是LED调光方式,什么是LED调光控制方式,这篇文章终于讲清楚了
TA的最新文章

LED灯如何调光,什么是LED调光方式,什么是LED调光控制方式,这篇文章终于讲清楚了

2025/8/16

0
分享到:

在网上搜索LED如何调光时,大部分搜索出来的都是LED调光的控制方式,还有很多文章把控制方式和调光方式混在一起,例如PWM调光和其他调光控制方式放在一起,这些思路混乱的文章非常容易误导大家,我就被误导了好多年。不过我后来终于领悟了,想要分享给大家,所以我准备写一个比较完善的讲解,从调光方式的原理到产品,再讲调光控制方式的原理到产品;把这个问题说清楚。

图片

图片

上的一些混乱写法

1、先简单说说LED发光原理

       led是英文Light Emitting Diode的简写,中文意思为:发光二极管,由含镓(Ga)、砷(As)、磷(P)、氮(N)等的化合物制成。

图片

      LED是一种能够将电能转化为可见光的固态的半导体器件,它可以直接把电转化为光。半导体晶片由两部分组成,一部分是P型半导体,在它里面空穴占主导地位,另一端是N型半导体,在这边主要是电子。这两种半导体连接起来的时候,它们之间就形成一个P-N结。当电流通过导线作用于这个晶片的时候,电子就会被推向P区,N型半导体内的电子与P型半导体内的空穴在发光层剧烈地碰撞复合产生光子,然后就会以光子的形式发出能量,这就是LED灯发光的原理。而光的波长也就是光的颜色,是由形成P-N结的材料决定的不同材料的半导体会产生不同颜色的光色,如红光、绿光、蓝光等等。但是,到目前为止还没有任何一种半导体材料能发出白色的光,我们使用最多还是发蓝光LED。

图片

      蓝光LED转变为白光LED,最大的原因在于晶片中多了一层荧光粉。蓝光LED基片安装在反射腔中,覆盖以混有荧光粉树脂薄层,约200-500nm。所产生的蓝光有一部分会直接穿过荧光涂层直接发射出去;剩下的一部分会打在荧光涂层上并与之作用产生黄色光子。蓝色光子与黄色光子共同作用(混合)就产生了白光。

图片

图片

        LED基片发出的蓝光部分被荧光粉吸收,另一部分蓝光与荧光粉发出的黄光混合,可以得到白光。通过改变荧光粉的化学组成和调节荧光粉层的厚度,可以获得色温3500-10000K的各色白光。如果蓝光的占比多一点,则产生高色温的白光;相反,如果黄光占比多一点,则产生色温较低的白光。这种通过蓝光得到白光的方法,构造简单、成本低廉、技术成熟度高,因此运用最多。

2、LED调光方式之1:DC调光(或称:功率调光、直接驱动调光)

    DC调光是通过调整LED灯的电流大小来实现亮度的控制,或者说是通过调节电路功率来改变亮度(功率 = 电压 x 电流),所以改变电压或电流都能改变屏幕亮度。

     首先来看一下LED能采用DC调光的原理, 它是能发光的二极管,是靠电子流向P区,在P区里电子跟空穴碰撞,然后就会以光子的形式发出能量,所以它的发光原理决定LED的亮度是和它的正向电流成正比的。所以大多数LED会给出额定电流,但这并不等于LED只能工作于这些额定电流,例如某厂的1瓦LED和3瓦LED是同一型号,电流从350mA加大到700mA,功率就从1W加大成3W,所以这个LED可以工作在350-700mA之间的任意值。

     所以调节通过LED的电流就可以调节它的发光强弱。

     如何调节电流大小呢,直接调节电压吗?我们可以看到它的伏安特性和一般的二极管伏安特性非常相似。只不过通常曲线很陡。因为根据LED的二极管伏安特性,会发现:当正向电压加到死区电压以上的时候,轻微的电压波动,会导致通过发光二极管LED的电流程指数式的波动。LED伏安特性的非线性,很小的电压变化就会引起很大的电流变化,从伏安特性上可以看出,电源电压的10%的变化,就会引起正向电流的几倍的变化。  

图片

       而且并不是LED电压定了,电流也就定了。实际上,LED的伏安特性并不是固定的,而是随温度而变化的,。假定采用3.3V恒压源常温下工作在20mA,而温度升高到85度时,电流就会增加到35-37mA,而其亮度并不增加。电流增加只会使它的温升更高,这样就会增加光衰,降低寿命。  

图片

     从LED的伏安特性,我们可得知LED光源的调光也不能够简单用调整LED的输入电流来实现。例如,在一个输入为24V的LED灯具中,采用了8颗1W的大功率LED串联起来。在正向电流为350mA时,每个LED的正向电压是3.3V,那么8颗串联就是26.4V,所以应该采用26.4V的恒流源。调光时,把电流降到100mA,这时候的正向电压只有2.8V,8颗串联为22.4V,负载电压就也要变低。

      所以LED不能靠单纯调节电压、电流来调光,一般都会采用宽电压恒流调光电源,恒流源的意思就是LED的电流大小是靠电源决定的,宽电压的意思是电源会根据LED伏安特性来自动匹配合适的电源电压。

图片

3、led调光方式之2:PWM调光   

    PWM调光是通过控制LED灯的开关时间和占空比来达到调光的效果。

    上面说到可以选用可降压型(宽电压)恒流源,例如10V-30V恒流源来进行调光,但是这种可降压型(宽电压)恒流源如果调到一个低的正向电压,LED的负载电流也变得很低,因此降压比非常大,可能会超出这种可降压型(宽电压)恒流源的正常工作范围,使它无法工作而产生闪烁。另外可降压型(宽电压)恒流源长时间工作于低亮度,会使可其效率降低及温升增高而无法工作,因为可降压型(宽电压)恒流源的效率是和降压比有关的,降压比越大,效率越低,损耗在芯片上的功耗越大,从而会损害恒流源及LED光源的寿命。

      PWM(脉宽调制)调光方式可以很好的解决以上问题,因为LED是一个二极管,它可以实现快速开关,它可允许的开关速度可以高达微秒以上,是任何发光器件所无法比拟的(所以传统灯具开闭太慢是没有办法用到这种调光的)。因此,只要把电源改成脉冲恒流源,用改变脉冲宽度的方法,就可以改变其亮度,这种方法称为脉宽调制(PWM)调光法。

      PWM调光调节亮度并不靠改变功率,而是靠屏幕的亮、灭交替。PWM调光点亮时并不是持续发光的,而是在不停地点亮、熄灭屏幕。当亮、灭交替够快时,肉眼就会认为LED一直在亮。

图片

       在亮、灭的过程中,熄灭状态持续时间越长,LED给肉眼的观感就是亮度越低。点亮的时间越长,熄灭时间就相应减少,LED就会变亮。大多数是固定频率,改变占空比,调整亮度就是调整占空比。

       LED PWM(脉宽调制)调光方式还有以下的优点:

  1、不会产生任何LED色谱偏移,因为LED始终工作在满幅度电流和0之间。

  2、有极高的调光精确度,因为脉冲波形完全可以控制到很高的精度,所以很容易实现万分之一的精度。

  3、即使在很大范围内调光,也不会发生闪烁现象。因为不会改变恒流源的工作条件(升压比或降压比),更不可能发生过热等问题。

  4、可以和数字(DALI/DSI/DMX 512)控制技术相结合来进行控制,因为数字控制信号很容易变换成为一个PWM信号。

       但是,虽然LED PWM(脉宽调制)调光方式有很多优点,还有以下两个问题:

  1、脉冲频率的选择,因为LED是处于快速开关状态,假如工作频率很低,人眼就会感到闪烁。为了充分利用人眼的视觉残留现象,它的工作频率应当高于100Hz,最好为200Hz,如果考虑视觉疲劳还应该更高(喜欢关注手机朋友可以注意一下手机OLED屏的PWM调光频率是多少)。

  2、调光引起的啸声,虽然200Hz以上人眼无法察觉,可是一直到20kHz却都是人耳听觉的范围。这时候就有可能会听到丝丝的声音。

4、LED调光的控制方式

      前面我们说了LED调光方式是靠LED电源来调光,LED电源可以理解为LED灯的本身组成的一部分,类似于传统荧光灯的镇流器。就像灯具点亮熄灭需要一个开关控制一样,灯具的调光也需要根据电源收到的指令来调光,这个指令使用的不同,就形成了灯具各种调光的控制方式。下面我们讲讲,市场上常见的六种LED照明设备控制方式:

    1. 前沿切相(FPC),可控硅调光

    2. 后沿切相(RPC)MOS管调光

    3. 1-10V调光

    4. DALI(数字可寻址照明接口)

    5. DMX512(或DMX)调光

    6.无线调光(蓝牙、wifi、zigbee、射频)

    1、前沿切相(FPC),可控硅调光控制

图片

      前沿调光就是采用可控硅电路,从交流相位0开始,输入电压斩波,直到可控硅导通时,才有电压输入。其原理是调节交流电每个半波的导通角来改变正弦波形,从而改变交流电流的有效值,以此实现调光的目的。前沿相位控制调光器一般使用可控硅作为开关器件,所以又称为可控硅调光器。

      这个是最容易让大家误解的(至少我误解过,困惑了我好久),也是很多文章概念模糊的一种调光方式。就是可控硅做LED调光,并不是真的用它来调LED电压电流来调光,而是通过控硅的前沿切相角作为后面LED电源调光的一个模拟输入信号而已,可以想象成一种特殊的载波。

      当然,当年它是用来直接调光的,这就要白炽灯时代说起,最早的可控硅(前沿或后沿切相)调光的光源是白炽灯,完全不用任何电器配件,直接调,效果平滑完美。然后是卤素灯,但须配可调光变压器。

     当初,切相调光器是作为一种简单、高效而便宜的方法被设计用于白炽灯光源的亮度调节的。它通过限制提供给负载的功率来实现调光,只允许交流电网每个半周在一定百分比的时间处于导通状态。通过改变调光器的位置,就能够改变导通的周期,从而控制施加于负载的功率,最终实现光输出的改变。

   然后到了LED灯的时代,很多原来用可控硅调光灯具业主都需要换成了LED灯具,从前文我们可以知道这个可控硅调光器是无法调节一个普通的LED灯的光强弱的。应调节的结果就是如果调后电压的有效值还在LED电源的正常工作范围内,灯具就是正常亮度;如果超出LED电源的工作范围,灯具就无法正常点亮。

     但是很多旧有项目还希望,LED灯也可以通过这个可控硅调光器来调光怎么办?根据NEMA(国家电气制造商协会)的数据,仅仅在北美地区,就安装有1.5亿只家用切相调光器— 这种用于白炽灯光源的器件。于是据此需求就产生了应对产品,支持前沿/后沿切相调光的LED电源。 

图片

图片

      LED灯具的供电电路或者说驱动电路,不得不挣扎着应付市场上这些切相调光器的不停变化和不稳定的输出。由此而产生的灯具与灯具之间,乃至调光器与调光器之间的大范围变化,很多LED可控硅调光驱动难以完全匹配调光器,所以会出现调光过程不平滑,无法关死,会微亮闪烁的情况。而这些对终端用户来说是难以接受的,这些需要通过实现自适应的驱动电路设计缓解这个问题;为了消除不同调光器带来的行为上的差异,驱动器必须动态调整其调光曲线,以适配当前使用的调光器的专有特性。

图片

      在LED照明灯上使用FPC调光器的优点是:调光成本低,与现有线路兼容,无需重新布线(其他调光方式都需要有信号线)。

    2、后沿切相(RPC)MOS管调光

图片


      后沿切相控制调光器,基本和前沿切相非常类似;只是一般采用场效应晶体管(FET)或绝缘栅双极型晶体管(IGBT)设备制成。后沿切相调光器一般使用MOSFET做为开关器件,所以也称为MOSFET调光器,俗称“MOS管”。MOSFET是全控开关,既可以控制开,也可以控制关,故不存在可控硅调光器不能完全关断的现象。另MOSFET调光电路比可控硅更适合容性负载调光,没有最低负荷要求,可以在单个照明设备或非常小的负荷上实现更好的性能,MOS管极少应用于调光系统,一般只做成旋钮式的单灯调光开关。

      因为成本偏高和调光电路相对复杂、不容易做稳定等特点,使得MOS管调光方式没有发展起来,可控硅调光器仍占据了绝大部分的调光系统市场。

    3、1—10V调光控制

图片


图片



     1-10V调光装置内有两条独立电路,一条为普通的电压电路,用于接通或关断至照明设备的电源,另一条是 1-10V信号电路,它提供参考电压,告诉照明设备调光级别,0-10V调光控制器之前常用在对荧光灯的调光控制上,现在,因为在LED驱动模块上加上了恒定电源,并且有专门的控制线路,故0-10V调光器同样可以支持大量的LED照明灯。但应用缺点也非常明显,低电压的控制信号需要额外增加一组线路,这对施工的要求大大提高。

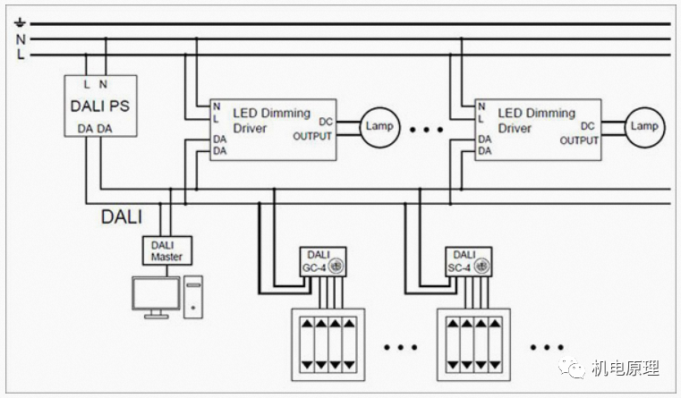
    4、DALI调光控制(数字可寻址照明接口)

图片

      DALI是“Digital Addressable Lighting Interface”的首字母缩写,翻译过来意思就是“数字可寻址照明接口”。它是国际公开的照明控制通信协议IEC62386,规定了电子镇流器、控制单元以及各种传感器之间的数字通讯控制方式。也就是说DALI是一个专门用于照明控制的协议,能够对每个灯进行单独控制,实现亮度、色温、颜色等控制,对灯具进行分组控制,设置不同场景等。

      20世纪90年代欧洲开始进行数字式荧光灯照明控制系统的开发、研究。欧洲的主要电子镇流器生产厂家(如Halvar、Hüco、Philips、Osram、Tridonic、Trilux等)都纷纷加入到DALI标准的制定工作中。DALI 定义标准旨在建立一个结构清晰的简单照明系统;用于室内的智能、高性能照明管理,受控对象明确为镇流器。可以与大楼管理系统(BMS)接口,例如KNX系统。DALI通常作为建筑电器控制的一小部分,例如可通过KNX-DALI gateway整合到KNX系统,实现大范围的照明控制。

图片


图片

图片

      DALI标准定义了一个DALI网络,包括最大的64个单元(可独立地址),16个组及16个场景。DALI总线上的不同照明单元可以灵活分组,实现不同场景控制和管理。在一个DALI网络中,每秒能处理30~40个控制指令。

      DALI并不是真正的点对点网络,它是代替1~10V电压接口控制镇流器。相对于传统的1-10V调光,DALI的优点在于每个节点都具备唯一地址码,并且带反馈,更远距离调光不会像1-10V那样出现信号衰减,但是工程实践中这个距离还是不宜超过200米。

     DALI不适合大规模的LED照明控制,一个DALI网络只能控制21(64/3色)盏全彩LED灯具。DALI是面向传统照明控制的,注重的是系统的静态控制及可靠性、稳定性、兼容性。而LED照明系统的规模远远大于DALI系统,这就要求系统需要接入更大的总线网络。因此,DALI系统在大型照明工程中往往作为一个子系统被并入其他总线系统。

      DALI调光的优点:1、数字调光,调光精确稳定平滑;2、DALI可以双向通信,可以向系统反馈灯具的情况;3、单灯控制,控制更加灵活;4、DALI抗干扰能力强。

      DALI调光的缺点仍然是令人讨厌的信号线布置和高企的价格。值得一提的是目前的DALI调光驱动为了确保单片机随时处于待命状态,在关灯时仍然需要待机耗电。

图片

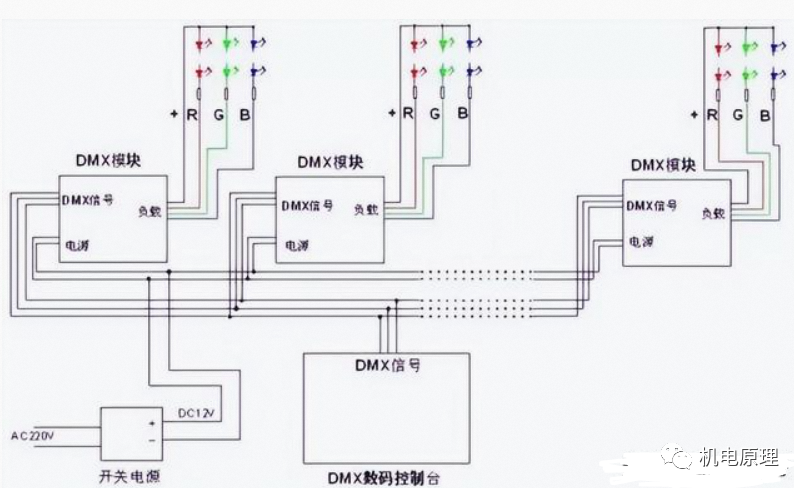
    5、DMX512(或DMX)调光

图片

     DMX是Digital MultipleX的缩写,意为多路数字传输。DMX512控制协议是美国舞台灯光协会(usITT)于1990年发布的灯光控制器与灯具设备进行数据传输的工业标准,全称是USITT DMX512(1990),包括电气特性、数据协议、数据格式等方面的内容。

      DMX的发展历史并不长,上个世纪80年代随着计算机技术的发展,数字调光技术出现并不断发展壮大,调光界也出现过“百家争鸣”的现象,出现过D54、AVAB、CMX和EMX等通信协议,但这些协议之间存在差异不能通用。为了使各厂商的调光台和调光器能相互连接,美国剧场技术协会USITT,在1986年制定了统一的数据通信的标准。协议得到世界各国灯光设备厂商的响应,中间经过了一些修改和补充,于是就形成了今天的DMX512。

      [DMX-512]一个接口最多可以连接512个通道,所以从字面上我们可以知道这个设备是一个数字传输调光设备,有512个调光通道。它是一种集成电路芯片,将亮对比度色度等控制信号分离出来,分别进行处理,通过调节数字电位器来改变模拟输出电平值,从而控制视频信号的亮度和色调。它将从0到100%的光照级别分为256个级别。控制系统可以实现R、G、B、256种灰度,真正实现全彩。

图片

   它的输出的信号传输方式为:RS485差分信号传输,有效的保证了其信号的可靠性。理想传输距离可达200m,但在实际应用中,由于信号干扰和衰减,一般在40米左右建议增加中继器来加强信号。虽然调光原理看起来很复杂,但是我们可以简单的将DMX512系统概括成三部分:DMX主控---DMX解码器---LED灯具组成。

图片

      在实际应用中,DMX512的控制方式,一般是将电源和控制器设计在一起。由DMX512控制器控制8~24线,直接驱动LED灯具的RBG线,但是在建筑亮化工程中,由于直流的线路衰弱大,要求在12米左右就要安装一个控制器,控制总线为并行方式,因此,控制器的走线非常的多,很多场合甚至无法施工。DMX512的接收器需设置地址,让它能明确接收调光指令,这在实际应用中也非常不方便。多个控制器互联来控制复杂的照明方案,操作软件设计的也会比较复杂。因此,DMX512比较适合灯具集中在一起的场合。

图片

     

     和传统的模拟调光系统相比,DMX512控制协议的数字灯光系统,以其强大的控制功能给建筑照明,夜景灯光照明,以及大、中型影视演播室和综艺舞台的灯光效果带来了翻天覆地的变化。

     然而在实际应用中,多个控制器互联来控制复杂的照明方案,操作软件设计的也会比较复杂,控制器的走线多,在实际场合施工相对也比较繁琐,对于后期维护成本较大。

 6、无线调光(蓝牙、wifi、zigbee、射频)

     我们看到LED调光都是靠灯具电源所调光的,调光系统主要作用就是给电源一个指令信号,而除了可控硅调光外都需要设置专门的信号线来传输信号,这就带来很大不便。那么能有采用无线网络来传输调光信号呢?答案当然是有,而且使用的越来越多,其中使用最多的是蓝牙Mesh方案。

6.1蓝牙Mesh灯控方案

      蓝牙Mesh网络是用于建立多对多(many:many)设备通信的低能耗蓝牙(Bluetooth Low Energy,也称为Bluetooth LE)新的网络拓扑。它允许您创建基于多个设备的大型网络,网络可以包含数十台,数百甚至数千台蓝牙Mesh设备,这些设备之间可以相互进行信息的传递。

图片

      蓝牙Mesh是蓝牙5规范的一部分,专门为传输灯具调光或开关指令、传感器信息或设备ID等小数据包优化。在蓝牙Mesh灯控方案中,需要将蓝牙Mesh芯片内置在LED灯内,用户通过手机连接Mesh网络中任何一个LED灯,就可以控制Mesh网络中任意一个或一组灯;蓝牙开关可以作为一个节点,控制Mesh网络中所有灯的开关,或者设置不同的场景模式;用户还可以对Mesh网络中的LED灯进行分组控制;可以对Mesh网络中的LED灯进行调光、调色;设置不同的场景模式;定时开关等操作。通过设置网关接入网络还可以实现网络远程控制、云平台控制等。例如接入阿里云物联网平台控制;物联网平台能为客户提供全托管的企业级实例服务,具有低成本、高可靠、高性能、高安全的优势,无需自建物联网基础设施即可接入各种主流协议的设备,管理运维设备,存储备份和处理分析设备数据。

      蓝牙 Mesh 有五大优势——最大的优势就是蓝牙 Mesh 无需网关就可以直接与智能终端通信,这能够充分利用了人机交互体验好的优势;第二是可以没有网关,成本低;也可以设置网关以提供更多的联网控制方式第三是安装非常便捷,用户体验上也尤为好;四是低功耗支持能力强;五是有强大的组网能力,双向可组250个节点,单向可组1000个节点!

     对于蓝牙mesh网络应用得最好的室内场景就是智能灯光系统,因为灯的布置范围一般都很近,蓝牙模块之间的相互广播彼此都能联系得到,不必再装网关或是WiFi都能通过手机或是调光遥控器控制,这一点就比ZigBee(照明控制方面这玩意市场基本被蓝牙mesh给抢没了)的模式强,因为后者必须要通过网关才能实现现场互操作。

      有了蓝牙Mesh之后,只需用一台控制设备,就可以同时、轻松、高效地控制智能家居系统内的所有功能。蓝牙Mesh的强大架构还可以进行扩展,满足办公室、工厂、工业环境甚至城市的需求,将数以百万计的节点连接起来。缺点是万一系统出现故障,无法物理启动灯具。

图片

6.2RF 或“射频”调光灯控方案

       RF 或“射频”调光提供了一种远程调节条带亮度的方法。与有线直插式 LED 调光器不同,可以通过遥控器对 LED 灯带进行调光,距离可以达到直径 20 米。这个一般用于手动控制,或者作为自动、无线控制的备用控制(蓝牙或wifi灯控系统失灵时)。

图片

6.3.  WIFI调光灯控方案 调光

    WIFI联网智能调光器可让您通过 WiFi 连接远程控制 LED。在设置“智能”办公室照明系统时,这些调光器可以通过线上系统控制。这种方式缺点,需要保证灯光区域内良好的网络分布,就是智能调光控制器价格稍贵,需要开发专用的系统来控制照明调光,或者接入云平台管理。

图片



评论

网友评论仅供其表达个人看法,并不表明阿拉丁照明网同意其观点。

0 条评论

    登录 才能发表评论!